网站首页
公司介绍
新闻中心
产品展示
证书资质
下载中心
人才招聘
联系我们
产品列表
/ Product list
避雷器
穿墙套管
跌落式熔断器
复合绝缘子
隔离开关
过电压保护器
可卸式避雷器
陶瓷绝缘子
脱离器/计数器
限流熔断器
高压真空断路器
你所在的位置:
首页
> 高压真空断路器 >
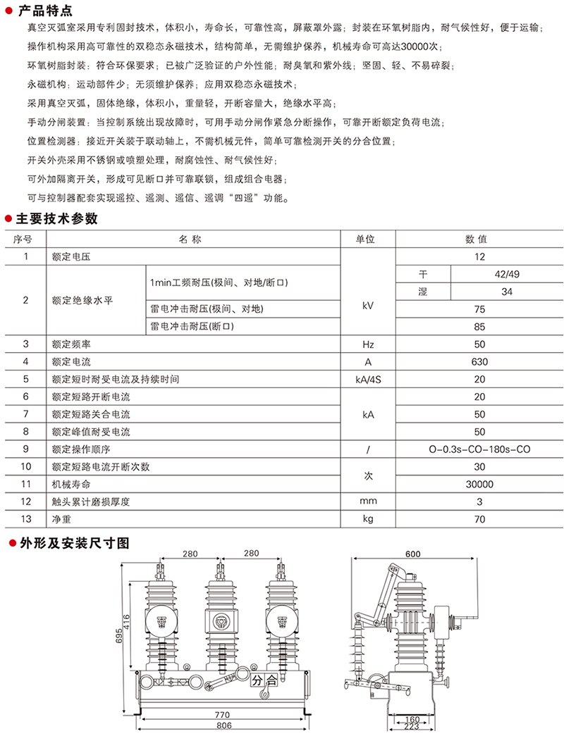
ZW43A-12系列户外高压真空断路器计量预付费
产品展示
ZW43A-12系列户外高压真空断路器计量预付费
Copyright ©浙江沪高电器有限公司 All Rights Reserved. 技术支持 :
百方网
友情链接:
浙ICP备18021871号-1